Kaplin, sistemin sigortası işlevini gören, farklı malzeme tip ve ebatlardan oluşan ve iki şaftı güç aktarımı amacı ile birbirine bağlayan bir makine parçasıdır. Özgün Makina’da 28 farklı tip ve 430 farklı ebat kendi özgün dizaynı olan kaplinin haricinde özel tipler de imal edilmektedir.
Öncelikle, kaplin seçimini yapacak personelin teknik olarak kullanım yeri, ortam şartları, sistem özellikleri ve kaplin tipleri konusunda yeterince bilgi sahibi olması gerekmektedir. Sistemdeki güç bilgisi ile beraber ihtiyaç duyulan maximum eksenel ve açısal kaçıklıklar tespit edilerek uygun kaplin tipi seçilir. Bu seçimin içerisindeki bir diğer önemli etken ise Servis Faktörü olarak adlandırılan, sistemdeki duruş kalkışlar ve sürücü makine tiplerinin oluşturduğu değerlerdir. Daha önce de bahsettiğimiz üzere kaplinin sistemde sigorta olması nedeniyle ihtiyacın üzerinde seçilecek olan Tork değeri, sistemde çok farklı zararlara sebebiyet verecektir.
Kaplinin gerçek işlevini yapabilmesi için öncelikle ilk montaj ve ayar esnasında konusunda bilgi sahibi personelin yapması gerekmektedir.
Öncelikli olarak kaplin ve bağlanacağı şaftın muhakkak temizliği yapılmış olmalıdır. Doğru montaj mesafesi uygulanarak kaplinin açısal hareketini yapması sağlanmalıdır. Dikkat edilmesi gereken diğer bir husus ise kaplinin mile sıcak geçirilmesi sırasında sızdırmazlık elemanlarının koruma altına alınmasıdır. Montajı tamamlanan kaplinin ve millerin lazerli kaplin ayar cihazı ile hizalanması kaplinin maximum eksenel ve açısal kaçıklıklarını yapabilmesini sağlayacak ve kaplin daha uzun ömürlü olacaktır.
1. Maksimum delik çapını sağlayacak ÖZGÜN TİP kaplini seçiniz.
2. Bu kaplinin gerekli tork kapasitesinde olup olmadığını aşağıdaki formüle göre kontrol ediniz.
| Uygulama Alanları | SÜRÜCÜ MAKİNA (Sf=Servis Faktörü) |
||||
| Elektrik Motorları ve Türbinler | Hidrolik Motorları ve Dişli Sürücüleri | Alternatif Hareketli Motorlar ve Frekans Başlangıçlı Elektrik Motorları | |||
| KONTROLLÜ MAKİNELER | |||||
| Hafif Derece Şoklar | JENERATÖRLER, HAVA ile SOĞUTMA VANTİLATÖRLERİ, SANTRİFÜJ VANALARI, FANLAR, SANTRİFÜJ POMPALARI ve KOMPRESÖRLER, MAKİNE PARÇALARI - yardımcı sürücüler -, TAŞIYICILAR - kemer ve zincirler, sabit yüklüler, yürüyen merdivenler, dolum ve şişeleme makineleri-, KARIŞTIRICILAR- saf sıvı karıştırıcıları ve bu ÇALIŞMA PRENSİBİNE UYGUN MAKİNELER. | 0.9-1.35 | 1.1-1.6 | 1.35-1.85 | |
| Orta Derece Şoklar | HAVA ile SOĞUTMA VANTİLATÖRLERİ, POMPALAR-dişlive yuvarlak tipleri-, MAKİNE PARÇALARI -ana sürücüler -, TAŞIYICILAR -vinçler, halat takımları, asansörler, tek sarım makineleri, makaralar, kağıt endüstrisinde kullanılan zemberekler, SIVI ve KATI KARIŞTIRICILAR ve bu ÇALIŞMA PRENSİBİNE UYGUN MAKİNELER. | 1.35-1.6 | 1.6-1.85 | 1.85-2.1 | |
| Ağır Derece Şoklar | ALTERNATİF HAREKETLİ POMPALAR VE KOMPRESÖRLER, ÇAMAŞIR YIKAMA MAKİNELERİ, EĞME ve BÜKME SİLİNDİRLERİ, VİDA DİŞ ÇEKME MAKİNELERİ, KABUK SOYUCULAR, VERNİK MAKİNELERİ, BRİKET MAKİNELERİ, ÇİMENTO FIRINLARI, MADEN ya da TAŞ KIRICILAR, ÇEKİÇ İMALİ ya da KAUÇUK İMALİ YAPAN MAKİNELER, METAL İMALİ YAPAN MAKİNELER - sıkıştırıcı makineler- , TEL DÜZLEŞTİRİCİ MAKİNELER, YOL ve TREN YOLU MAKİNELERİ ve bu ÇALIŞMA PRENSİBİNE UYGUN MAKİNELER. | 1.6-2.1 | 1.85-2.35 | 2.1-2.6 | |
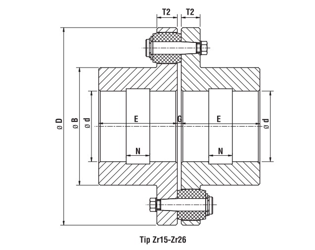
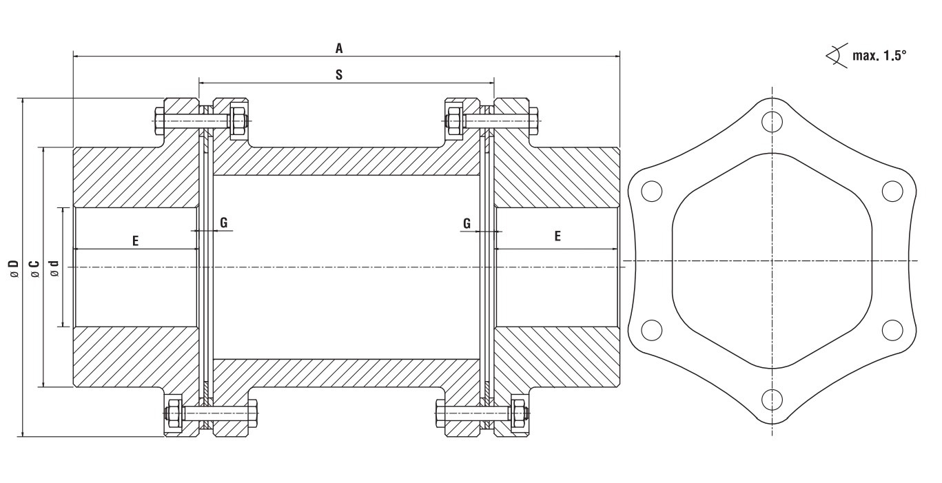
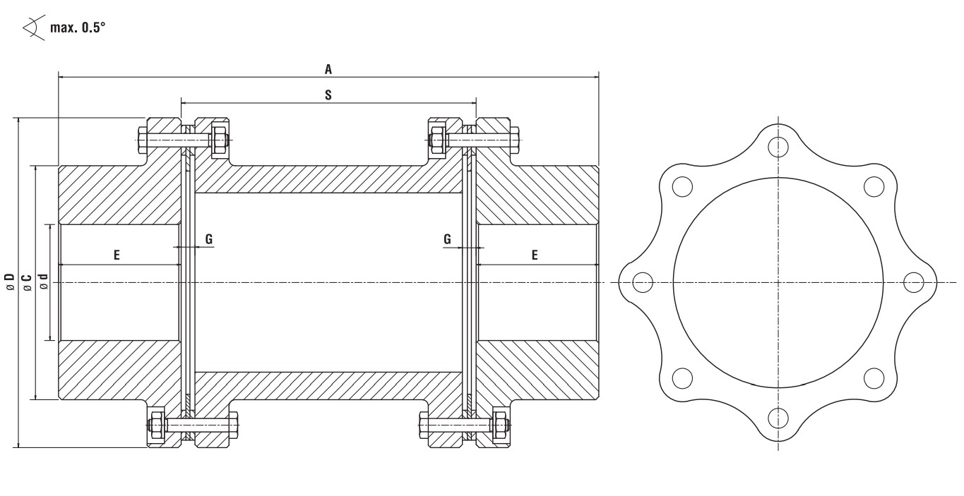
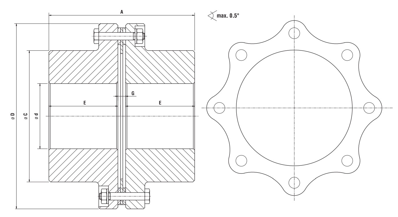
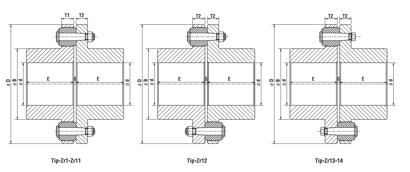
Tam-flex Dişli Kaplin
Ø40mm’den Ø2500mm’ye ürettiğimiz tam flex ve yarım-flex kaplinler, Ø400mm’ye kadar özel kalıplarda dövülerek sertleştirilmektedir. Tüm dişli kaplinlerin diş yüzeyleri indüksiyon veya nitrasyonla sertleşmektedir. Bağlantı civataları dövülerek sertleştirilmektedir.
Kaplin Tipleri;
• Tam-Flex Dişli Kaplinler,
• Elastik Kaplinler,
• Rijit kaplinler,
• Spindle Kaplinler,
• Yaylı Kaplinler,
• Pimli Kaplinler
Ve müşterilerimizn isteği doğrultusunda özel kaplinler.
Tambur Kaplin
Tam-flex Dişli Kaplin
© Copyright Özgün Makina | Tüm hakları saklıdır.